galaxy_logo.gif (6857 bytes)    

Mobile Microphone

575M-6

575 M6
Amplified Microphone

4

   
      The ASTATIC 575M-6 "power" microphone offers the CB'er modern "teardrop" styling and features along with the sound and "talk-power" made famous by the ASTATIC D104 for over 60 years.

     An output impedance compatible with the inputs of almost all commercial transceivers and externally adjustable high gain amplifier ensures desired modulation level. The 575M-6 has easily accessible slide controls for volume and tone adjustment so that the correct modulation level and tone quality can be set for each operators voice. The 575M-6 preamplifier is powered by a readily available, easily replaced, 9 volt battery. The 575M-6 has a six wire coil cord which allows for relay, electronic or virtually any type hookup with almost any transceiver. The audio line is open during receive.

 

ASTATIC Quality

     All 575M-6 microphones are audio tested and inspected prior to shipment. Astatic's absolute commitment to quality insures that ASTATIC microphones remain the best value in today's competitive industry.

 

 

...Discontinued...

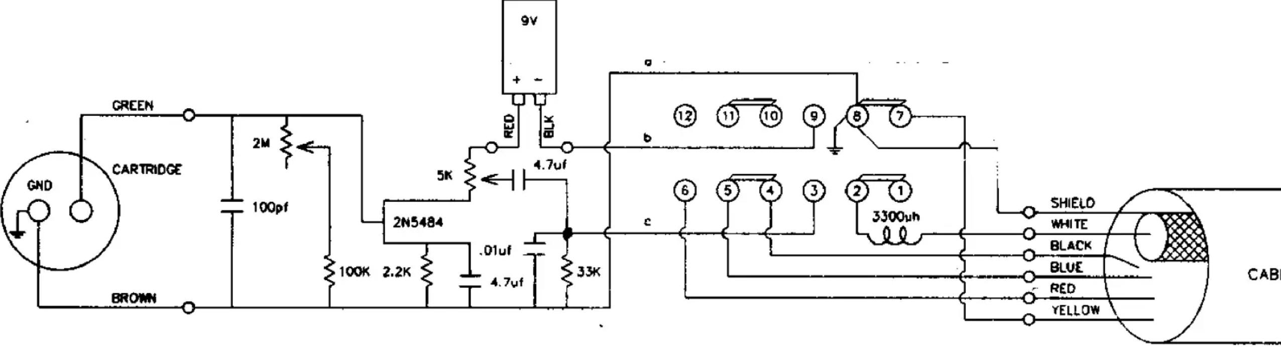
Schematic

Frequency Response